产品
案例
我们
首页
产品中心
解决方案
新闻动态
关于我们
联系我们
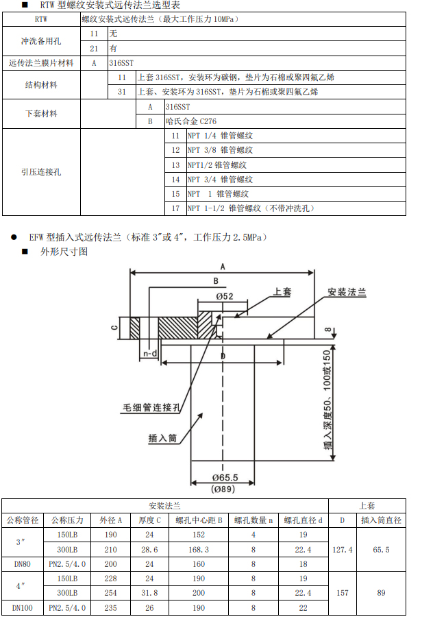
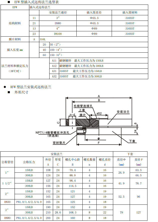
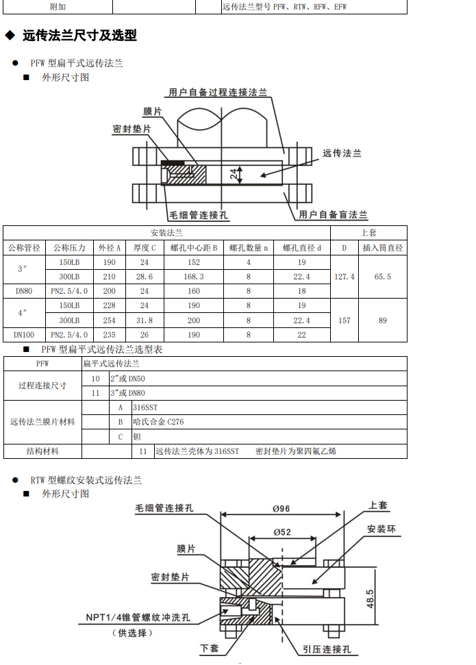
SBC-1151/3351系列差压变送器
产品简介
/ Product introduction
热品推荐
/ Hot product
EDE 压力继电器(两线制)
MCS(CSY)-Ⅱ 智能微机测速仪
产品中心
合作案例
关于我们
地址:大连中原仪表厂
立即拨打
产品中心
合作案例
公司简介